Call Toll Free: 1-800-275-2436 (8AM-6PM EST) Email: sales@chemtainer.com

Specifying Fitting Locations

It is very important to be as precise as possible when specifying tank fittings and accessories. Location, type and size of fittings must be noted clearly on your drawing. If more than one fitting is being specified, mark each fitting with a letter A, B, C etc. Dimensional drawings are available for all tanks. Download a blank generic drawing and send or fax in with your order.

Vertical Bulk Storage Tanks

Plan View Calibration strip is at 0 degrees, in line with manway. Specify in degrees from 0 the location of fittings.
Elevation View Indicate in inches the height from the center of the fitting to the floor.

Example: Fitting A is at 90°, 48 up from button; Fitting B is at 180°, 30 up from bottom; Fitting C is at 270°, 20 up from bottom. Note: Use a dotted circle to indicate fittings which are on the opposite side of the elevation drawing (see fitting B)

Most Chem-Tainer vertical storage tanks have 8 x8 flat sections at least every 90 degrees along the circumference at the bottom of the side. These flats are ideal locations for bulk head fittings.


Horizontal Tanks

End View Round Horizontal

End View Leg Horizontal

Side View
Drain fittings are generally located in one of the ends of the tank, close to the bottom. Indicate in inches any fitting(s) that are required in the top of the tank.


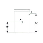
Cylindrical Open Top Tanks

Plan View if more than one fitting is being specified, indicate in degrees the location of the fittings.

Elevation View indicate in inches the height from center of the fitting to the floor.

Example: Fitting A is at 180°, 15 up from bottom; Fitting B is at 270°, 30 up from bottom.
Note 1: Use a dotted circle to indicate fittings which are on opposite side of the elevation drawing (see fitting A )
Note 2: Never include tank flange in your measurements.


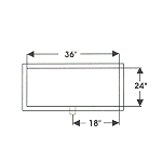
Rectangular Tanks

Indicate width, length and height of tank using inches.

Plan View indicate in inches the distance from edge of tank.

Elevation View indicate in inches the height from the center of the fitting to the floor.

Example: 24 x 36 x 36 HT. Fitting is 18 in from side along the 36 wall, 18 up from floor.
Note: Never include tank flange in your measurements


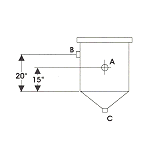
Cylindrical Cone Bottom Tanks

Plan View if more than one fitting is being specified, indicate in degrees the location of the fittings.

Elevation View Indicate in inches the height from the bottom of the straight side to the center of the fitting. Do not include the cone. Stands have a lip 16 high. Consult sales office for minimum height of side fittings.

Example: Fitting A is a 0°, 15 up the straight side; fitting B is at 90°, 20 up from straight side; C is in cone flat.

Subscribe to our newsletter

Call Toll Free: 1-800-275-2436
Hours: 8am – 8pm EST
© Chem-tainer Industries. All rights reserved.